工业控制传感器
环境检测传感器
无线传感/数据采集
仪表/模块/控制器
热门推荐

概述:
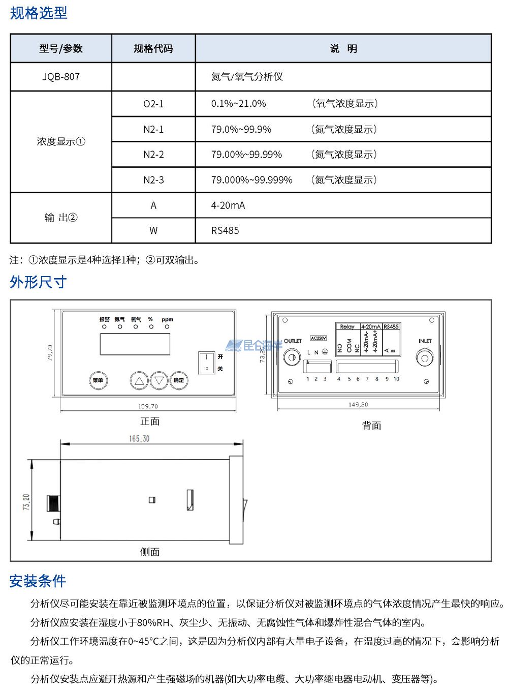
JQB-807型氮气/氧气分析仪采用高性能传感器为测量单元,经过微处理机对信号的处理,直接计算出氮气氧气混合气体中氧浓度值,并直接提供氧浓度值显示,或利用氧浓度值推算出氮浓度值后提供氮浓度值显示。
应用领域:
• 城市可燃气管道监测;
• 空气成份分析行业;
• 高温熔炉送氧浓度的检测;
• 半导体的保护气体中氧浓度的检测;
• 动植物培养,蔬菜、食品加工贮藏过程中氧浓度测定;
• 冶金、石油、化工、矿业、焦化、市政、环保、制药、电力、船舶、污水处理等需要监测氮气氧气的场所;
产品特点:
• 高性能氧传感器;
• 可根据氧气浓度推算出氮气浓度值,并提供相应显示;
• 一个可编程报警点,氮/氧气浓度偏离报警值后,将发出报警指示以及输出报警;开关量信号,报警值可在满量程范围内任意设置;
• 一个可编程电流(4-20mA)输出;



