工业控制传感器
环境检测传感器
无线传感/数据采集
仪表/模块/控制器
热门推荐
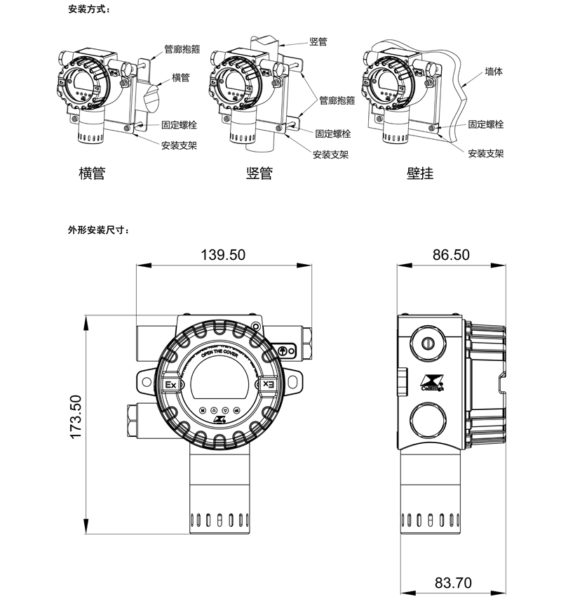
产品描述:
二甲苯C8H10 固定式气体检测仪是8868登陆入口全新打造的一款气体检测仪,采用原装进口传感器及全新32位低功耗处理器; 仪表盘显示界面,数值与进度条同时显示,美观大方;电路采用4层布线,对弱信号及抗干扰更强;独立的高精度进口16位AD芯片及特有信号处理算法,测量数据精度更高更稳定;4~20mA、RS485、200~1000HZ多种输出信号可选择, 方便接入各种报警控制器、PLC、DCS等控制系统;防爆结构设计可应用在各种危险的工业场所。
主要功能:
现场检测浓度实时显示、检测信号变送、声光报警和2组继电器报警功能,可外置WIFI、GPRS等无线信号。该检测仪内部带有2组继电器(开关量信号),可以控制风机、声光报警器、电磁阀等设备。产品适用领域
产品广泛应用于石油、石化、化工、消防、环保煤炭、冶金、电力、市政、医药、航空、军事、机械设备、农业、牧业、3D打印、玻璃加工、橡胶、视屏、防腐、消毒、化肥、树脂、粘合剂和农药、垃圾处理厂、温室培植、仓储物流、酿造发酵、车间、实验室、地下隧道、排放检测、钢铁冶炼、脱硫脱硝、尾气处理、商场、厨房、水泥厂锅炉房等。
产品特点:
◆ 采用独立16位AD芯片,4层电路板设计,对弱信号及抗干扰能力更强;
◆ 采用嵌入式32位超低功耗处理器,配以优化的信号处理算法,响应速度快,稳定;
◆ 智能的温湿度和零点补偿算法,全软件自动校准功能,确保测量结果的准确性;
◆ 开机自动检测各个传感器以及元器件的工作状态;
◆ 白、橙、红三色背光设计,正常、报警状态指示,一目了然;
◆ mg/m3、ppm、VOL、LEL多种单位可选择;
◆ 防高浓度气体冲击的自动保护功能,具有恢复出厂设置,防止误操作;
◆ 三线制4~20mA、 RS485、200~1000HZ信号输出可选,继电器输出,数据恢复,数据存储等功能;
◆ 一流的机械设计,气室采用军工品质的高强度铝型材,耐磨耐腐浊,适用于复杂恶劣的工业环境,合理科学的气室设计,保证传感器实时监测的准确性;
◆ 零点自动校正:针对某些环境应用,仪表可实现零点自动校正功能;
◆ 防爆等级为Exd II CT6 Gb,国家防爆电气检验中心认证;
◆ 红外遥控操作模式。采用人性化红外遥控操作模式。任何情况下无需开盖,确保易燃易爆环境中的安全使用。原装进口高性能传感器,测量精度高,重复性好,使用寿命长;



