工业控制传感器
环境检测传感器
无线传感/数据采集
仪表/模块/控制器
热门推荐
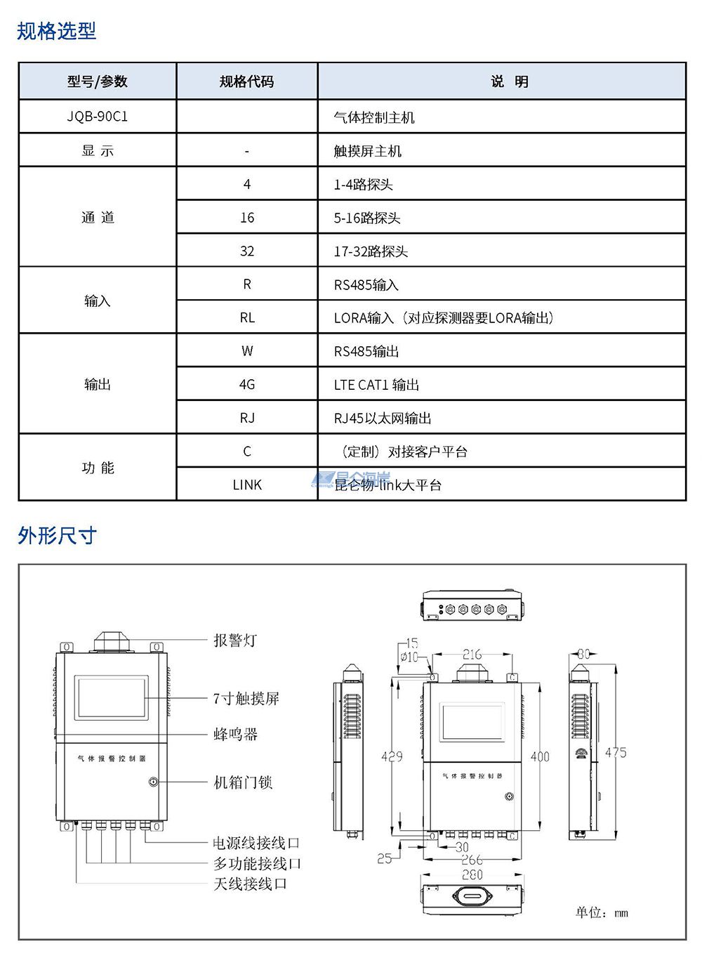
产品型号:JQB-90C1型
生产厂商:8868登陆入口
关注指数:1566
资源下载:
JQB-90C1型气体控制主机使用说明书 V3.2
400-815-8881 
概述
JQB-90C1型气体控制主机采用7寸彩色屏显示及双CPU架构设计,全触摸操作,整机只有一个物理轻触按键;内嵌32位ARM架构处理器,配实时操作系统以及丰富的嵌入式软件,完成探测器信息实时采集和显示、报警数据存储、系统故障检测、报警提示、外设驱动等功能。
气体控制主机由主控板,参数控制板,彩色显示屏,声光报警器,开关电源等部件组成,还内置了6组无源触点继电器,用于控制风机、电磁阀等外部设备;该产品的设计遵循国家相关标准,具有响应速度快,抗干扰能力强,可靠性高,易于维护等优点。
应用领域
• 冶金
• 石油石化
• 市政
• 化工
• 生物制药
• 水处理
• 家居环保
• 学校实验室
产品特点
• 7寸液晶显示屏,全触摸操作;
• 2路RS485通信接口,1路无线输出;
• 双CPU系统架构;
• 6组无源触点继电器;
• 声光报警功能,报警提示一目了然;
• 机箱外安装孔,壁挂安装;
• 大容量存储,32G的存储内存;
• LORA无线通讯接口(选配);
• 4G无线通讯CAT1(选配);
• 继电器报警模式可以设置二种:电平/脉冲输出可编程;
• 采用ARM内核处理器,4层电路板结构。






