代理商 区域代理商 行业代理商
常见问题
售后服务
满意度调查
说明书下载 工业控制传感器 环境检测传感器 无线传感/数据采集 仪表/模块/控制器
测试工具
产品驱动
通讯协议
产品电子样册
首页
关于我们
软件与服务
硬件产品
解决方案
服务中心
科技创造生活,创新引领未来
工业控制传感器
压力测量产品
物位/液位测量产品
温度测量产品
流量测量产品
水质检测产品
环境检测传感器
温湿度测量产品
漏水/水浸检测产品
气体检测产品
其他环境检测产品
进口温湿度/露点测量产品
无线传感/数据采集
NB-IoT产品
4G/CAT1产品
无线自组网产品
数据采集网关/模块产品
仪表/模块/控制器
安全栅
隔离模块
现场仪表
智能控制器
专业级宽温型温湿度变送器 JWSK-16系列
全金属宽温型温湿度变送器 JWSK-26系列
高稳定型隔爆温湿度变送器 JWSK-G系列
快速响应型隔爆温湿度变送器JWSK-G系列
宽温型温湿度变送器(轨道交通) JHMD-16AT系列
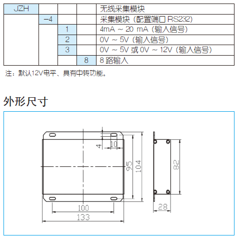
产品型号:JZH-4 系列
生产厂商:8868登陆入口
生产地址:北京
关注指数:5633
资源下载:JZH-4系列 ZigBee无线采集模块说明书