CN CN
CN EN
硬件产品

科技创造生活,创新引领未来

首页 > 硬件产品 > 工业控制传感器 > 压力测量产品 > 精巧型
热门推荐
【行业BU】精巧型压力变送器JYB-820HM型

产品型号:JYB-820HM型

关注指数:208

资源下载:JYB-820HM型精巧型压力变送器V3.0

400-815-8881
功能特点


概述:

JYB-820HM型精巧型压力变送器是一款全数字化补偿的压力测量产品。该产品采用的数字技术是传感器制造领域的最新应用成果,结合国际先进的压阻式压力变送器设计制造技术,进行精密数字化温度补偿和非线性修正,一体化的结构设计和标准化的输出信号。该产品体积小、精度高、重量轻、量程覆盖范围宽,适用于各行业对气体与液体压力进行精密测量。

应用领域:
• 暖通空调;
• 消防液压;
• 设备配套;
• 制药行业;
• 污水处理;
• 废气排放;

产品特点:
• 量程覆盖范围宽;
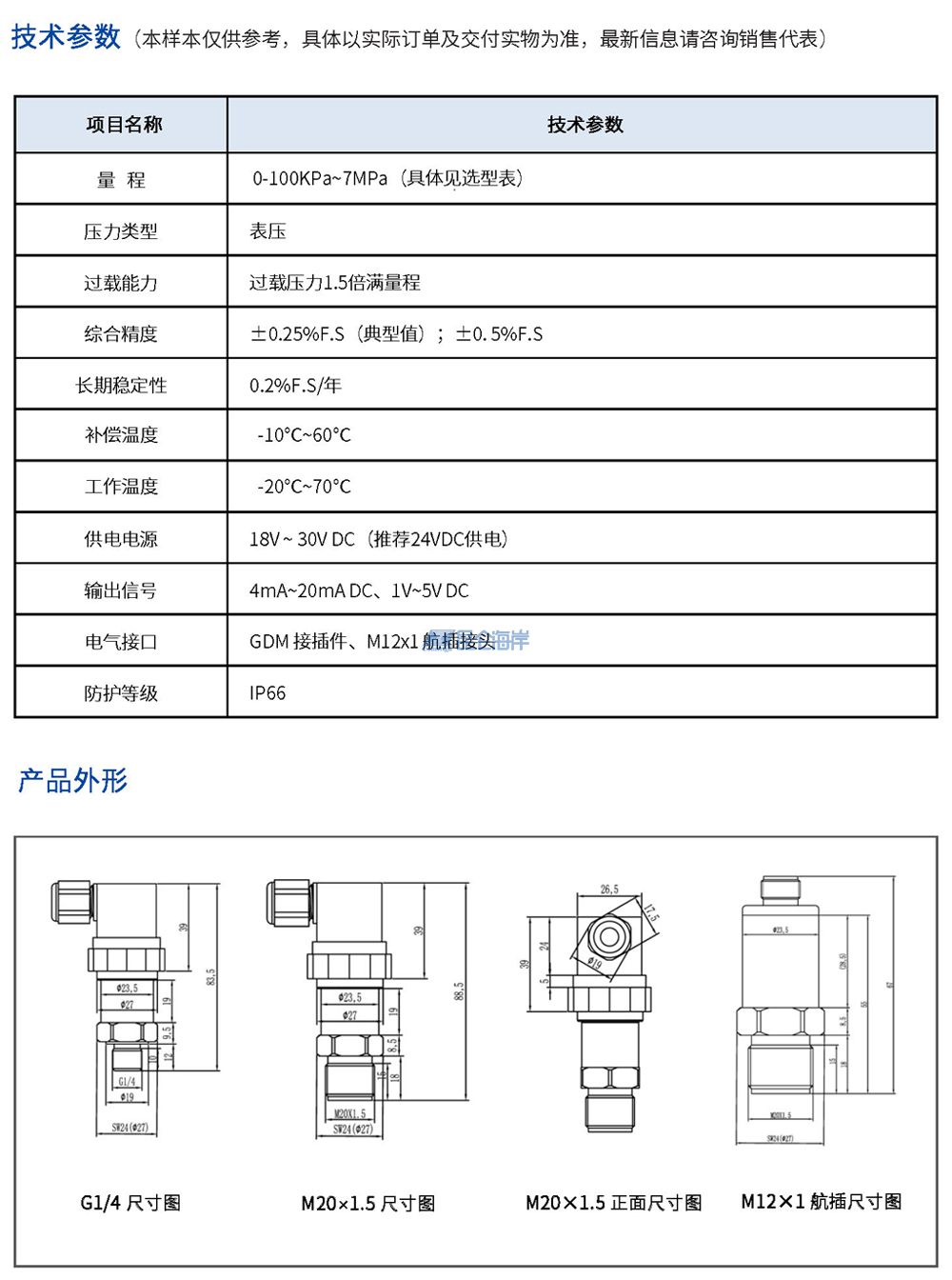
• 全不锈钢一体化的结构设计,防护等级可达IP66;
• 体积小,外形美观,性价比高;
• 精密数字化温度补偿;
• 精密数字化非线性修正;
• 标准化的输出信号;
• 瞬间过电流过电压保护;
• 反极性保护,操作方便,可靠性高;
• 自带组合式密封垫圈,抗震、抗泄露,适合不同工况;
• 快速响应与宽温适应,可实时捕捉压力波动;
• 电磁兼容性要求,抗干扰能力强;