工业控制传感器
环境检测传感器
无线传感/数据采集
仪表/模块/控制器
热门推荐
产品型号:JYB-820PT
生产厂商:8868登陆入口
关注指数:860
资源下载:
JYB-820PT型法兰安装式智能压力变送器 V3.02
400-815-8881 
概述
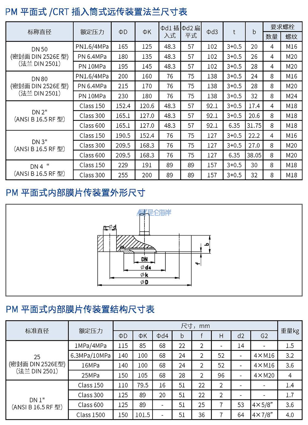
JYB-820PT型法兰安装式智能压力变送器在结构上,由表压/绝压变送器和经焊接安装的带毛细管的远传法兰组成。作用在远传法兰侧的压力,首先经远传法兰上的膜片和填充液,再经毛细管,最后到达测量传感器的测量端。然后将压力信号转变成4~20mA DC电流信号输出。
5位智能显示表头,能轻松在无压力源下正负零点迁移和量程设定,多种可靠的防爆结构设计和标准化的信号输出,可满足现场及控制室的各种观测。
应用领域
• 锅炉、供暖、风电、能源和水处理等系统;
• 航空、航天、航海及船舶制造等行业;
• 石油、石化、LNG、CNG、天然气长输管线;
• 液氧、氮氧、液氩等低温深冷行业应用;
产品特点
• 采用单晶硅压阻技术,性能稳定,综合精度可达0.1%FS;
• 可测量表压、绝压、液位,支持高温测量;
• 自带过压、瞬间过流、电源反极性电路保护;
• 智能显示表头,内置按键,可一键校准零点;
• 量程可设置,零点可迁移,显示单位可自动换算;
• 高过载保护膜片,实现大压力过载保护功能;
• 稳定性可达±0.2%SPAN/5年适用场景;
• 电磁辐射符合IEC801标准;
• 电磁兼容符合GB/T17626国标三级;
• 具备隔爆、本安、粉尘、ATEX等多种安全认证。













