来源: 阅读:2657
JDR油、水双界面液位仪,采用多段微电容串联组合测量方法,微电容检测和单片机智能控制相结合,它突破了传统测量方法,解决了外界对测量精度的干扰,实现多界面液位测量。探极采用聚四氟乙烯防护,与多电容串联组合设计使产品能够适应各种液体、浆体、粉末、颗粒,并不受挂料、压力、密度、温度甚至化学特性变化的影响,而只取决于不同物质之间介电常数的区别。在测量精度和使用环境上都突出于其他测量产品。独特的测量技术能够应用于每一工业环节,如冶金、石化、电力、煤炭、水泥、水处理、制药、造纸等。多种类
型、规格的选择,使这一技术从一般应用到危险场所都能可靠运行。
商品价值所在
可同时输出罐内油和水双液位数据稳定的输出罐内油和水双界面的液位数据,同时显示出来;也可以接入组态或者PLC进行后续控制。非常适合用在没有集输系统的油矿井场、联合站混合液抽取排放液层监控,运行稳定可靠,精度衰减周期长,长期使用维护成本低廉。 是终端用户老系统升级改造以及新井场构建的标准配置选项。全新的密封设计原装封口保证介质完全不会进入探头内部导致损坏,事实上,市面上其他同类因为密封问题导致探头损坏的几率非常高。
微米级制造工艺Collihigh采用新型全自动焊接机,具备200um焊接工艺能力,保证探头节点牢固可靠;同时也保证了防渗漏密封的可靠性,杜绝探头因直接接触介质导致的腐蚀和损坏。
最高精度2cmCollihigh JDR型双界面油、水液面变送器采用多节探头设计,最高精度可达2cm,对一般油罐应用完全够了。
强力防腐的外壳探头采用聚四氟乙烯材料制作的防护层,全防腐,杜绝介质内的腐蚀性物质对探头造成损坏,理论使用寿命高达60年!
防雷、防爆特性可靠的接地线设计,变送部分能经受2000V脉冲的冲击。采用防爆材质外壳,符合GB3836.1-2000以及GB3836.4-2000标准。
强大的温补功能
强大的温补能避免由于温度变化导致测量结果出现误差。无论夏天还是冬天,都无需重新标定,也无需手动设置,本品都能保持稳定、准确的数据输出。
右侧是我们实验室模拟环境的实测数据,看图可知,无温补的情况下,随着温度与常温偏离的越多,输出的数据漂移越大;在有温补的情况下,温度从0℃到85℃之间,输出始终保持稳定,不会因为介质温度变化影响数据输出。
稳定精确的软件算法异常数据滤除,有效避免罐体内异常结构带来的干扰 · 冬夏季补偿自动迁移,无需经常标定 · 特殊电容转换算法,保持数据稳定采集
可配辅助探极
针对卧式罐、水泥罐等不规则或非金属罐体,可选购辅助探极,保证测量数据的精确;使产品具有更强的适应性。依据现场环境的不同,辅助探极的规格会根据现场环境的不同而不同,以满足稳定使用的需求。

可配控制柜
您可以选购控制柜。控制柜带液晶触摸屏,也可选择数码管显示屏和文本记录仪显示,能在远距离对变送器进行设置、查看,无需爬上罐顶。结合我们免维护的设计,基本可以实现安装后不用爬罐的目的。

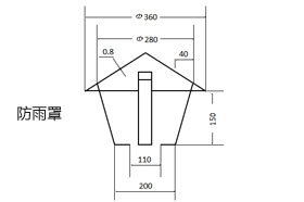
室外可选防雨罩
如果您需要在室外安装本产品,建议您选购金属制造的防雨罩,满足防雨的同时也极大延长了使用寿命。
变送部件外径98mm,高度143mm;
连接件部分高度40mm;
安装位外直管螺纹G2 1/4;
探头外径29mm;
探头长度分1米、3米、5米和6米,如果需要其他尺寸的探头和基座,可以申请定制
标配物件一览
标配物件:
A.Collihigh JDR型双界面油、水液面变送器×1;
B.说明书×1;
C.合格证×1;
可选购物件:
D.安装、调试、使用、维护等培训服务×1
E.触摸控制柜×1(附带连接线。无纸记录仪、数显表和触摸屏作为人机界面);
F.防雨罩×1(建议室外场合选购);
G.辅助探极×1(卧式罐、水泥灌必须选购);